Ingatlan Televízió
Ingatlan Televízió
további hirdetések
adatlap bezárása

Budapest, XIII.kerület 
 

Hivatkozási szám: 5834707
Ingatlan adatai
Irányár: 58 500 000 Ft
Típus: lakás (tégla)
Kategória: eladó
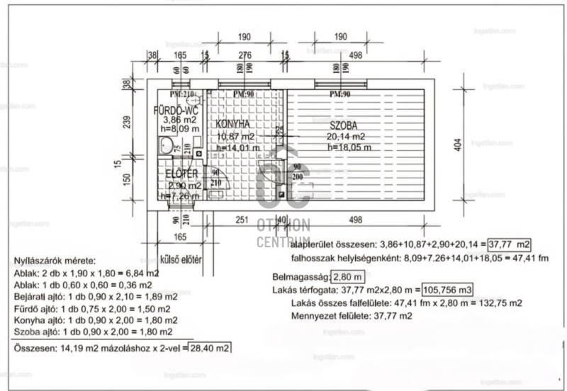
Alapterület: 36 m2
Fűtés: gáz (cirko)
Állapota: -
Szobák száma: 1
Építés éve: 1963
Szintek száma: -
Részletes leírás
Eladó szuper helyen, 1/1 tulajdonban lévő, remek elosztású, bejegyzetten 36, valójában 37,7 m2 hasznos területű kislakás Angyalföld szívében!

A lakás jellemzői:

Első emeleti, egyemeletes tégla társasházban;
Előszoba, napfényes konyha és étkező, kényelmes fürdőszoba, valamint egy jól berendezhető nappali/hálószoba;
Új, műanyag, dupla üvegű ablakok + biztonsági bejárati ajtó;
Korszerű, 2,5 éves Ariston cirkó kazán – alacsony rezsi;
Tartozik hozzá egy zárható, jól pakolható tároló a társasház pincéjében.

A társasház:
Rendezett, nyugodt, csöndes lakóközösség – idősek és fiatalok egyaránt;
Csendes környezet, mégis kiváló közlekedés.
Pályázatot nyert a felújításra, melyet 2025.10.hóban kezdenek és 2026. májusban folytatnak.

Elhelyezkedés & közlekedés:
Lidl, Spar, Rossmann, kávézók, éttermek – 5-10 perc sétára;
30, 30A, 20E, 32 buszmegállók – 2-5 perc séta;
14-es villamos, 105 és 210 busz – 10 perc séta;
Belváros mindössze 20 perc alatt elérhető.

Ideális választás:
Első lakás vásárlóknak,
Fiatal pároknak,
Befektetőknek – könnyen kiadható, keresett környék!
További adatok
Telekterület: -
Kert mérete: -
Erkély mérete: -
Felszereltség: -
Parkolás: -
Kilátás: utcai
Egyéb extrák:  
Hirdető adatai
Hirdető neve: Otthon Centrum
Kapcsolattartó: Gút Zsolt
Hirdető telefonszáma: +36 70 469 3056
Honlap: -
 
Üzenetet küldhet a hirdetőnek, árajánlatot tehet az ingatlanra:
Az Ön neve:
Az Ön e-mail címe:
Üzenet: